Brun Residence, Playa Vista, CA

Project Year – 2014

Project Location – Playa Vista, CA

Designer – Caroline Brun

Cabinet Shop Drawing – Nelson Kuo

Millworks + Installation – Nelson Kuo and Darrin Tanisaka

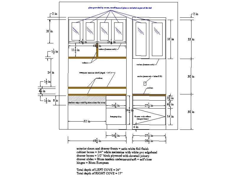
Material – Satin White Thermofoil and Walnut

IMG_0789

IMG_0788 Shallow ledge and flip down door to cover wires, one of many great ideas by Caroline Brun

IMG_0778 IMG_0786   IMG_0796 IMG_0799 IMG_0800 IMG_0807CarolineDesk

Leave a comment